

Applications:Medical facility、electric windows and doors
SCHEMATIC CIRCUIT
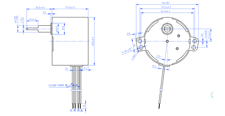
SPECIFICATION
prev:Synchronous motor 49TYJ-K
next:20BYJ



